Vasetto in vetro giallo per 10 gr. di pappa reale, completo - scheda prodotto Feed Vasetto in vetro giallo per 10 gr. di pappa reale, completoEtnamiele.it

Articolo: 809

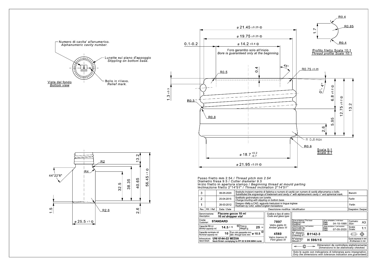
Descrizione:
Nuovo vasetto in vetro giallo per 10 gr. di pappa reale, completo di tappo a vite - rispetto al modello precedente è appena più alto

Prezzo :
0,45

Disponibilità: 300 pezzi.


Files Correlati:
Vuoi acquistare questo prodotto?
Descrizione dettagliata

Nel termopacco intero ci sono 170 boccettine.